john deere 314 parts diagram
Jacks works best with JavaScript enabled Learn More. John Deere 314 Electrical Components Exploded View parts lookup by model.
Benchtest Com Garage John Deere 317
Find parts for your john deere 3-point hitch upper lift shafts turnbuckle.

. Nov 3 2018 John Deere 314 Wiring Diagram. We sell parts accessories for your Ariens lawn. Click here for model 41 mower deck parts for 314.
13 Years of Giving - DONATE NOW Easy to find the parts I. Low to High Price. Tractor Hydrostatic -300 312 314 and.
WITHOUT THE AUTHORIZATION OF. Search easy-to-use diagrams and enjoy same-day shipping on standard John. 312 314 hydrostatic tractors with our free parts lookup tool.
300312314 316 Hydrostatic Tractors THIS IS A MANUAL PRODUCED BY JENSALES INC. Equipment Finance Parts Service. As a matter of fact mine has over 15 of them.
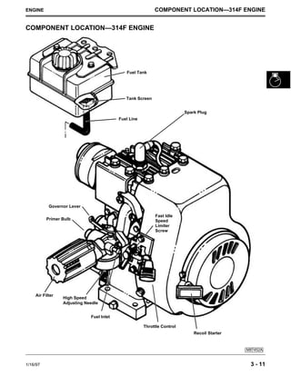
314G - LOADER SKID-STEER EPC John Deere catalog online 312GR PIN1T0312G_ _ _J288093- 314G PIN1T0314G_ _ _J288093- 316GR PIN1T0316G_ _ _J288093- 314G Skid Steer. K321 AQS KOHLER ENGINE -PC1618. The engines displacement capacity is about 512cc.
Click here for model 48 mower deck parts for 314. John Deere Parts Lookup -John Deere-314 HYDROSTATIC TRACTOR 14 HP. John Deere Parts Lookup -John Deere-314 HYDROSTATIC TRACTOR 14 HP.
John Deere 300 312 314 316 317 318 322 330 332 Products 85 Sort by. Search our parts catalog order parts online or contact your John Deere dealer. Click here for Model 54.
Search easy-to-use diagrams and enjoy same-day. John Deere Center Blade Spindle Bearing Housing - M45273. John Deere Center Blade Spindle Shaft - AM39914.
Complete exploded views of all the major manufacturers. John Deere 314 Exploded View parts lookup by model. All John Deere Service manuals have a wiring diagram in them.
With a maximum RPM of 3600 the engine can deliver and output around 14 hp which can be translated to about 104 kW of. John Deere Center Blade Spindle Shaft - AM39914. 855-669-7278 My Store.
It is EASY and FREE. K321 AQS KOHLER ENGINE -PC1618 855-669-7278. Complete exploded views of all the major manufacturers.
Find parts diagrams for your John Deere equipment. John Deere 314 Parts Diagrams Electrical Components JavaScript Disabled - Unable to show Cart Parts Lookup - Enter a part number or partial description to search for parts within this model. High to Low Name Oldest Avg Review Review Count.
Parts Diagrams Parts By Type Service Certified. Click here for 49-inch Snow Thrower Parts for 314. Find parts for your john deere fuel pump.
Use Default Sorting Newest Price. 312 and 314 hydrostatic tractors with our free parts lookup tool.
John Deere 300 312 314 316 Lawn Garden Tractor Service Manual Jd S Sm2104 John Deere 0761873348070 Amazon Com Books
John Deere 314 Hydrostatic Tractor 14 Hp K321 Aqs Kohler Engine Pc1618 Drive Shaft 312 314 Hydrostatic Tractors
John Deere Lanz 310 Anbauplatte Fur Wasserpumpe Huber Parts
Sprucing Up The 314 Green Tractor Talk
Buy John Deere 317 Hydrostatic Lawn Garden Tractor Parts Manual Catalog Pc1698 Kt 17 Online At Lowest Price In Nepal 234320297827
322 Carb Connections Green Tractor Talk
John Deere 420 Lawn And Garden Broken Pto Clutch Help Needed Weekend Freedom Machines
1982 John Deere 314 317 318 Lawn Tractor 46 Mower Deck Operators Manual Ebay
You Answered A Question For Pete About A Deere 314 Tractor 5 2012 I Have The Same Problem But I Don T See A Follow Up
John Deere 314 F Walk Behind Tillers Service Repair Manual Tm1687
Service Parts Manual Set For John Deere 312 314 Lawn Garden Tractor Mower Peaceful Creek
John Deere 318 332 330 314 316 Garden Tractor 46 Mid Mower Parts Catalog Manual Ebay
John Deere 314 Hydrostatic Tractor 14 Hp K321 Aqs Kohler Engine Pc1618 Engine Side Panels 314 312 314 Hydrostatic Tractors
John Deere 314 Garden Tractor Price Specs Category Models List Prices Specifications 2022
John Deere Operators Manual Omm82550
Am125172 Wheel Kit Kit Black H D Gage Whe Fits John Deere Price 32 19
Reel Hydraulic Motor Venturi I10 Combine Platform Cutting John Deere 314 Combine Platform Cutting 300 Series Cutting Platforms 100 Cutting Platform 100 Reel Hydraulic Motor Venturi I10 777parts